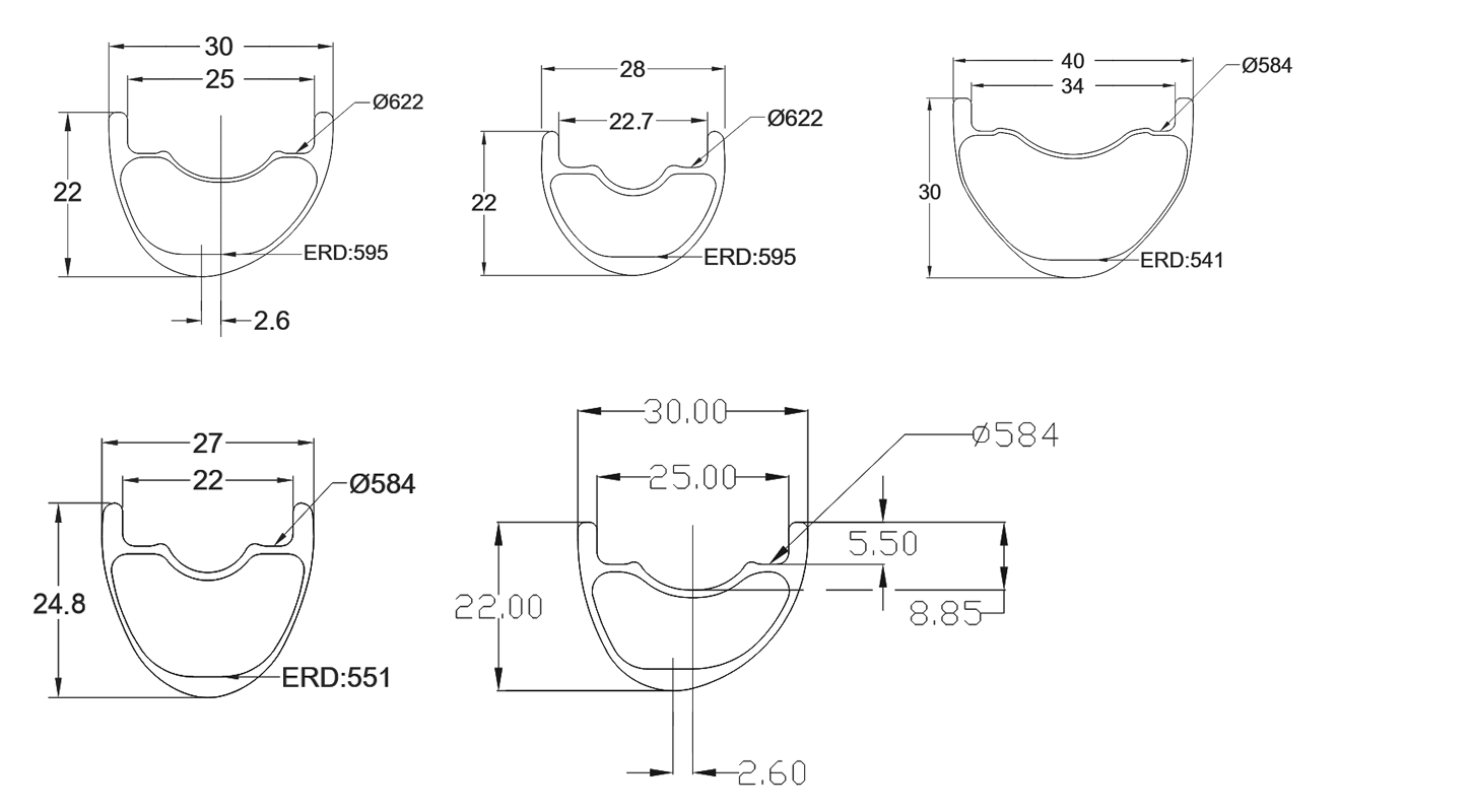
With XC racing increasingly prioritizing lightweighting, rims are no longer just supporting structures; they serve as front-end regulators for the vehicle's dynamic response. KOIBIKE's XC-M25X27HL-29ER-UL is developed with this philosophy in mind—it eschews extreme rim depth or exaggerated width, instead reshaping the 29-inch wheel's kinematic inertia in technical terrain through structural simplification and mass redistribution.
The 25mm low profile shortens the moment arm, enhancing the rim's resistance to lateral impacts while reducing unnecessary material buildup and creating space for lightweighting. The 27mm external width isn't a blind adherence to the "widebody trend"; rather, it's validated through tire deformation simulations to provide optimal sidewall support angles for modern 1.8-2.2-inch XC tires, minimizing "carcass wrinkling" and energy loss in corners. This combination ensures greater structural consistency during jump landings, gravel crunching, and tight turns.




Ultra-lightweight 285g:
Extremely reduces rotational inertia, improving acceleration response and climbing efficiency during XC riding.
27mm External Width:
Optimizes contact patch distribution for 1.8-2.2-inch tires, enhancing cornering stability and traction.
25mm Low Profile, Highly Rigid Construction:
Enhances lateral stiffness, reduces pedaling deflection, and boosts confidence on technical trails.
Tubeless Compatible:
Supports tire pressures from 22-31 psi. Combined with sealant, it effectively mitigates puncture risk and enhances reliability over long rides.
UD Matte Weather-Resistant Coating:
Multi-layered scratch and UV protection, suitable for intense training and multi-weather competition.
Strict Quality Control:
KOBIKE do 100% tire pressure(150 PSI), flatness(<0.2mm) and roundness(<0.2mm) inspections before shipping, also offering 2 years warranty for our carbon rims.


Construction Depth:
The 25mm low profile design prioritizes lateral stiffness and lightweight, making it ideal for XC and trail riding, where control and efficiency are paramount.
Material & Layup:
High-modulus Toray T800 carbon fiber with an FEA-optimized layup path for enhanced toughness, achieving a functional zoning system of "high-rigidity anchor points + high-toughness zones."
External Width and Bead:
The 27mm external width, validated by both aerodynamics and structural mechanics, provides an ideal support camber for modern narrow-width XC tires, reducing excessive sidewall deformation.
Spoke Hole Design:
Supports 16H-36H tires and utilizes a carbon fiber reinforced ring wrap for enhanced tensile strength, providing a key support for overall weight reduction.
Vacuum Seal System:
An integrated bead interface ensures a tight seal with the tubeless tire, reducing the risk of flats.
Application areas for the XC-M25X27HL-29ER-UL carbon bicycle rim:
XC Efficiency Optimization System:
In UCI-level XC racing, lightweight rims are a key variable in improving "efficiency per watt output." The XC-M25X27HL-29ER-UL redistributes mass to reduce unnecessary inertia, helping riders maintain their rhythm during frequent speed changes.
Technical Terrain Response Platform:
In rocky terrain, root zones, and jumps, the rim's structural consistency directly impacts handling feedback. The 27mm external width provides carcass support, reducing the risk of loss of control due to "sidewall collapse."
High-end complete vehicle support:
Suitable for premium XC bike brands seeking a balance between lightweight and high rigidity, supporting both OEM and custom development.
B-side customized basic unit:
KOIBIKE offers full-process customization services, from spoke hole count and carbon fiber grade to paint finish, to meet the diverse needs of OEM/ODM customers.
| Model | Weight (Gram) | Inner Width | Outer Width | Depth | Brake System | Available Appearance | Available Spoke Hole Counts |
| XC-M25X27HL-27.5-SL | 345±15 | 22mm | 27mm | 24.8mm | Disc Brake | UD/Marble/12K/Twill | 16/18/20/21/24/28/32/36H |
| XC-M25X27HL-27.5-UL | 265±15 | 22mm | 27mm | 24.8mm | Disc Brake | UD/Marble/12K/Twill | 16/18/20/21/24/28/32/36H |
| XC-MA22X30HL-27.5-SL | 345±15 | 25mm | 30mm | 22mm | Disc Brake | UD/Marble/12K/Twill | 16/18/20/21/24/28/32/36H |
| XC-MA22X30HL-27.5-UL | 295±15 | 25mm | 30mm | 22mm | Disc Brake | UD/Marble/12K/Twill | 16/18/20/21/24/28/32/36H |
| AM-MA25X33HL-27.5-SL | 360±15 | 26mm | 33mm | 25mm | Disc Brake | UD/Marble/12K/Twill | 16/18/20/21/24/28/32/36H |
| XC-MA25X33HL-27.5-UL | 320±15 | 26mm | 33mm | 25mm | Disc Brake | UD/Marble/12K/Twill | 16/18/20/21/24/28/32/36H |
| EN-M30X40HL-27.5-SL | 460±15 | 34mm | 40mm | 30mm | Disc Brake | UD/Marble/12K/Twill | 16/18/20/21/24/28/32/36H |
| AM-M30X40HL-27.5-UL | 420±15 | 34mm | 40mm | 30mm | Disc Brake | UD/Marble/12K/Twill | 16/18/20/21/24/28/32/36H |
| XC-M22X28HL-29ER-UL | 300±15 | 22.7mm | 28mm | 22mm | Disc Brake | UD/Marble/12K/Twill | 16/18/20/21/24/28/32/36H |
| XC-MA22X30HL-29ER-NL | 360±15 | 25mm | 30mm | 22mm | Disc Brake | UD/Marble/12K/Twill | 16/18/20/21/24/28/32/36H |
| XC-MA22X30HL-29ER-SL | 310±15 | 25mm | 30mm | 22mm | Disc Brake | UD/Marble/12K/Twill | 16/18/20/21/24/28/32/36H |
| XC-MA22X30HL-29ER-UL | 255±15 | 25mm | 30mm | 22mm | Disc Brake | UD | 16/18/20/21/24/28/32/36H |
| XC-M22X30HL-29ER-NL | 360±15 | 25mm | 30mm | 22mm | Disc Brake | UD/Marble/12K/Twill | 16/18/20/21/24/28/32/36H |
| XC-M22X30HL-29ER-SL | 310±15 | 25mm | 30mm | 22mm | Disc Brake | UD/Marble/12K/Twill | 16/18/20/21/24/28/32/36H |
| XC-M22X30HL-29ER-UL | 255±15 | 25mm | 30mm | 22mm | Disc Brake | UD | 16/18/20/21/24/28/32/36H |
| XC-M25X27HL-29ER-SL | 370±15 | 22mm | 27mm | 25mm | Disc Brake | UD/Marble/12K/Twill | 16/18/20/21/24/28/32/36H |
| XC-M25X27HL-29ER-UL | 285±15 | 22mm | 27mm | 25mm | Disc Brake | UD | 16/18/20/21/24/28/32/36H |
| XC-M20X36HL-29ER | 285±15 | 30mm | 36mm | 20mm | Disc Brake | UD | 16/18/20/21/24/28/32/36H |
| XC-M25X30HL-29ER-NL | 360±15 | 25mm | 30mm | 25mm | Disc Brake | UD/Marble/12K/Twill | 16/18/20/21/24/28/32/36H |
| XC-M25X30HL-29ER-SL | 310±15 | 25mm | 30mm | 25mm | Disc Brake | UD | 16/18/20/21/24/28/32/36H |
| XC-M25X30HL-29ER-UL | 260±15 | 25mm | 30mm | 25mm | Disc Brake | UD | 16/18/20/21/24/28/32/36H |
| AM-MA25X33HL-29ER | 400±15 | 26mm | 33mm | 25mm | Disc Brake | UD/Marble/12K/Twill | 16/18/20/21/24/28/32/36H |
| TR-MA25X33HL-29ER | 380±15 | 26mm | 33mm | 25mm | Disc Brake | UD/Marble/12K/Twill | 16/18/20/21/24/28/32/36H |
| XC-MA25X33HL-29ER | 340±15 | 26mm | 33mm | 25mm | Disc Brake | UD | 16/18/20/21/24/28/32/36H |
| AM-M25X35HL-29ER | 385±15 | 28mm | 35mm | 25mm | Disc Brake | UD/Marble/12K/Twill | 16/18/20/21/24/28/32/36H |
| XC-MA25X35HL-29ER-NL | 360±15 | 30mm | 35mm | 25mm | Disc Brake | UD/Marble/12K/Twill | 16/18/20/21/24/28/32/36H |
| XC-MA25X35HL-29ER-SL | 320±15 | 30mm | 35mm | 25mm | Disc Brake | UD | 16/18/20/21/24/28/32/36H |
| XC-MA25X35HL-29ER-UL | 280±15 | 30mm | 35mm | 25mm | Disc Brake | UD | 16/18/20/21/24/28/32/36H |
| XC-MA25X33HL-29ER-SL | 380±15 | 27mm | 32mm | 25mm | Disc Brake | UD/Marble/12K/Twill | 16/18/20/21/24/28/32/36H |
| XC-MA25X33HL-29ER-UL | 330±15 | 27mm | 32mm | 25mm | Disc Brake | UD | 16/18/20/21/24/28/32/36H |
| AM-M22X30HL-29ER-SL | 435±15 | 25mm | 30mm | 22mm | Disc Brake | UD/Marble/12K/Twill | 16/18/20/21/24/28/32/36H |
| XC-M22X30HL-29ER-UL | 360±15 | 25mm | 30mm | 22mm | Disc Brake | UD/Marble/12K/Twill | 16/18/20/21/24/28/32/36H |
| EN-MA28X38HL-29ER-SL | 490±15 | 31mm | 38mm | 28mm | Disc Brake | UD/Marble/12K/Twill | 16/18/20/21/24/28/32/36H |
| AM-MA28X38HL-29ER-UL | 450±15 | 31mm | 38mm | 28mm | Disc Brake | UD/Marble/12K/Twill | 16/18/20/21/24/28/32/36H |
| EN-MA28X40HL-29ER-SL | 490±15 | 34mm | 40mm | 28mm | Disc Brake | UD/Marble/12K/Twill | 16/18/20/21/24/28/32/36H |
| AM-MA28X40HL-29ER-UL | 460±15 | 34mm | 40mm | 28mm | Disc Brake | UD/Marble/12K/Twill | 16/18/20/21/24/28/32/36H |
| XC-M30X30HL-29ER-SL | 380±15 | 25mm | 30mm | 30mm | Disc Brake | UD/Marble/12K/Twill | 16/18/20/21/24/28/32/36H |
| XC-M30X30HL-29ER-UL | 345±15 | 25mm | 30mm | 30mm | Disc Brake | UD/Marble/12K/Twill | 16/18/20/21/24/28/32/36H |
| AM-M30X34HL-29ER-SL | 435±15 | 28mm | 34mm | 30mm | Disc Brake | UD/Marble/12K/Twill | 16/18/20/21/24/28/32/36H |
| XC-M30X34HL-29ER-UL | 350±15 | 28mm | 34mm | 30mm | Disc Brake | UD/Marble/12K/Twill | 16/18/20/21/24/28/32/36H |
| EN-M30X40HL-29ER-SL | 480±15 | 34mm | 40mm | 30mm | Disc Brake | UD/Marble/12K/Twill | 16/18/20/21/24/28/32/36H |
| AM-M30X40HL-29ER-UL | 440±15 | 34mm | 40mm | 30mm | Disc Brake | UD/Marble/12K/Twill | 16/18/20/21/24/28/32/36H |
100% Customizable
Customized Weaves & Finishes:



Customized Holes:

![]()
Weight Check:

Clean burrs & residues

Rim Diameters Check:

Cleaning

Packing

We have been in carbon bicycle production industry since the year of 2015, so 10 years history and experiences.
100 workers, 30 management, 20 Engineers, 10 Sales.
Carbon bicycle rims, carbon spokes, carbon wheels, cranks and other carbon bicycle components.
Our factory area is 2500 square meters, with 2 production lines, one wheel building line.
10.000 pcs/month for carbon rims, 100.000 pcs/month for carbon spokes, 10.000 pcs/month for other carbon bicycle components like cranks, handlebars, thru axles etc.
10-15 days for carbon rims(100-200 pcs), 7-10 days for carbon spokes, 25-30 days for carbon wheels.
It depend on the product models, quantities and and other factors, takes carbon rim for example, price generate from 80-130 USD per piece.
2 years for carbo rims and wheels, 1 year for carbon spokes.
We focus on OEM/ODM service for customers mainly on Europe and American markets.
We have signed confidential agreement with our big OEM customers, so not allow to tell, but the big brands from Europe and America.
Our factory locates in Xiamen, China.